Get into Cart
Iniciar sesión
Iniciar sesión
Get into Cart
Shop
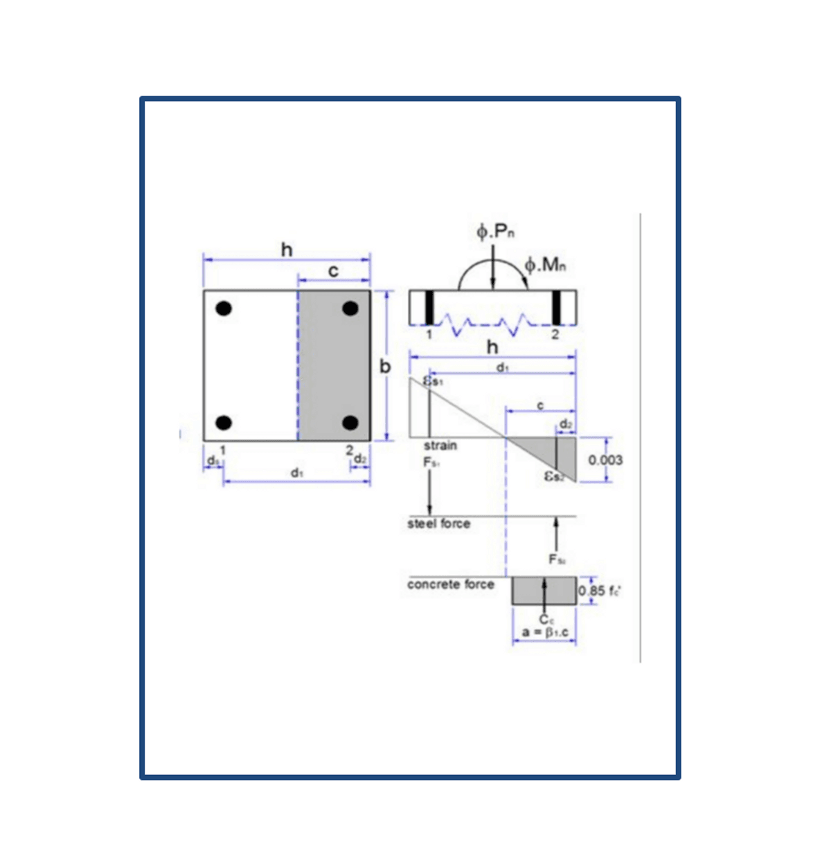
Design of Rectangular Column with Calculation of Interaction Diagram Excel Sheet based on ACI Code
$3
undefined
Compartir
$3
Introduce un precio justo
$
Introduce un importe de $0 o más
Agregar al carrito
Compartir
$3
Agregar al carrito
Español
English
Deutsch
Español
Italiano
Français
Українська
Privacidad
Condiciones
Denunciar
Empieza tu página de Buy Me a Coffee